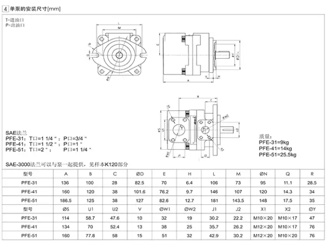
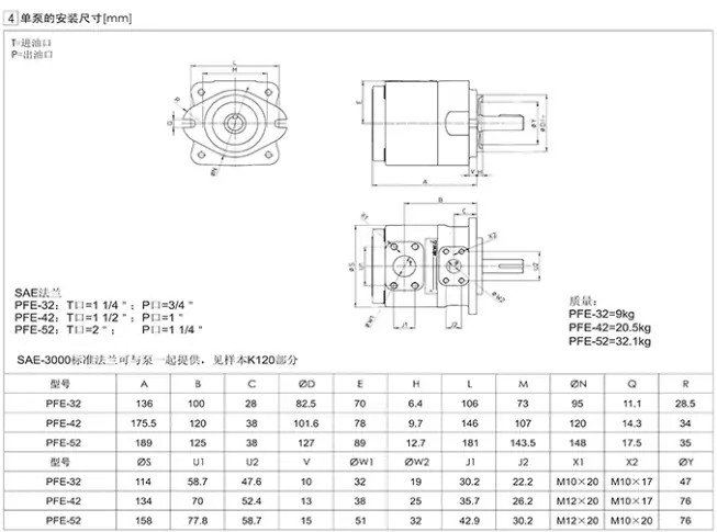
意大利ATOS阿托斯葉片油泵PFE-21010/31036/41037/51110/1DT 32
液壓系統壓力失常及欠速排除
工作壓力是液壓系統基本的參數之一,工作壓力的正常與否會很大程度上影響液壓系統的工作性能。液壓系統的工作壓力失常經常表現爲對壓力進行調解時出現調壓閥失效、系統壓力建立不起來、完全無壓力、持續保持高壓、壓力上升后又掉下來及壓力不穩定等情況。
一旦出現壓力失常,液壓系統的執行元件將難以執行正常的工作循環,可能出現始終處于原始位置不工作,動作速度顯著降低,動作時相關控制閥組常發出刺耳的噪聲等,導緻機器處于非正常狀態,影響整機的使用性能。下面大蘭液壓小編跟大家說說液壓系統壓力失常的幾個原因及欠速的排除方法。
一、壓力失常産生的原因
(1)液壓泵、馬達方面的原因
液壓泵、馬達使用時間過長,內部磨損嚴重,洩漏較大,容積效率低導緻液壓泵輸出流量不夠,系統壓力偏低。
發動機轉速過低,功率不足,導緻系統流量不足,液壓系統偏低。
液壓泵定向控制裝置位置錯誤或裝配不對,泵不工作,系統無壓力。
(2)液壓控制閥的原因
工作過程中,若發現壓力上不去或降不下來的情況,很可能是換向閥失靈,導緻系統持續卸荷或持續高壓。
溢流閥的阻尼孔堵塞、主閥芯上有毛刺、閥芯與閥孔和間隙內有污物等都有可能使主閥芯卡死在全開位置,液壓泵輸出的液壓油通過溢流閥直接回油箱,即壓力油路與回油路短接,造成系統無壓力;若上述毛刺或污物將主閥芯卡死在關閉位置上,則可能出現系統壓力持續很高降不下來的現象;當溢流閥或換向閥的閥芯出現卡滯時,聞芯動作不靈活,執行部件容易出現時有動作、時無動作的現象,檢測系統壓力時則表現爲壓力不穩定。
有單向閥的系統,若單向閥的方向裝反,則可能導緻壓力上不去。
系統內外洩漏,例如閥芯與閥體孔之間洩漏嚴重,也會導緻系統壓力上不去。
(3)其他方面的原因
液壓油箱油位過低、吸油管太細、吸油過濾器被雜質污物堵塞會導緻液壓泵吸油阻力過大(液壓泵吸空時,常伴有刺耳的噪聲),導緻系統流量不足,壓力偏低。
另外,回油管在液面上(回油對油箱內油液沖擊時産生泡沫,導緻油箱油液大量混入空氣),吸油管密封不好漏氣等容易造成液壓系統中混入空氣,導緻系統壓力不穩定。

二、欠速排除方法
①排除溢流閥等壓力閥産生的使壓力上不去的故障。
②排除液壓泵輸出流量不夠和輸出壓力不高的故障。
③控制油溫。
④查找出産生內洩漏與外洩漏的位置,消除內外洩漏;更換磨損嚴重的零件,消除內漏。
⑤查明液壓系統進氣原因,排除液壓系統內的空氣。
⑥清洗諸如流量閥等零件,油液污染嚴重時,及時換油。







PFE 31028/ 5DW
PFE-31016/1DT 20 PFE-31016/1DU
PFE-31022/1DT 20 PFE-31022-1DU
PFE-31028/ 1DT PFE-31028/1DT 20
PFE-31036/1DT PFE-31036/1DT 20
PFE-31044/1DT 20 PFE-31044/5DT PFE-31044-1DT
PFE-32036/3DT 20 PFE-32036/3DU 20
PFE-41029/1DT
PFE-41045/1DT 20
PFE-41070-10V
PFE-41085/10D PFE-41085/1DT 20
PFE-42045/3DW 20
PFE-42056/3DT PFE-42056/3DT 20
PFE-51090/1DT PFE-51090-1DT
PFE-51150/1DT 20
PFED 54110/045/1 DVO
PFED-43045/016/1DTA PFED-43045/028-1DT0 PFED-43045/044/1DTO
PFED-43070/028/1DWB20 PFED-43070/044/1DV0 20
PFED-43085/016 PFED-43085/016/1DVO 20 PFED-43085/022 PFED-43085/028 PFED-43085/036
PFED-43085/044 PFED-43085/044/1DUO 20
PFED-54110/037/1DTO
本文由蘇州逐利機電整理發布,如需轉載請瀏覽來源及出處,原文地址:http://www.damingxing.cn/yyyb/208.html






留言信息